Hydroshark ® 3000
ravet på rening av våra dagvatten växer för varje dag!
Nyckeln till att rena vattnen är att kunna avskilja Suspenderade Ämnen eller som man ute i
Europa & Världen nämner TSS (total suspended solids).
Definitionen av detta innebär alla ämnen (partiklar) större än 0.45 my.
Prioritet för rening av vatten är framförallt att kunna avskilja de verkligt små partiklarna mindre än 200 my
eftersom dessa innehåller majoriteten av föroreningarna, ex Tungmetaller, Kolväten & PAH:er.
Även Mikroplaster hamnar i denna kategori, ex. mindre fraktioner av däckrester m.m.
Tester visar slutligen att majoriteten av föroreningarna allt som oftast ligger mellan 63 my – 200 my varför
fokus för utvecklingen av vår Hydroshark legat just inom detta område, d.v.s att uppnå optimal effektivitet
Marknadens mest effektiva partikelrening som tar fasta partiklar ner till 63 my!
Beroende på storlek kan den hantera flöden upp till 180 liter / sekund vilket är helt unikt.
Hög avskiljningsprestanda - Pat. design.
- Avskiljer Partiklar = ex kolväten, metaller, mikroplaster och PAH:er.
- Avskiljer även Olja och lagrar detta invändigt.
- Finns med olika integrerade inlopps- & utloppsdiametrar.
- Inget Stalp.
- Kan lätt appliceras på befintliga rörledningar.
- Levereras monterad i Betong eller Plastbrunn = Plug & Play.
- Full access utifrån ger låga servicekostnader
- Enkelt underhåll via Slamsugning.
- Godkänd enligt officiella standarder.
Ladda ner produktblad Ladda ner ritning Se FilmBeskrivning
En kompakt högflödes partikelavskiljare som även kan avskilja olja
i ansenliga mängder.
Den kompletta insatsen byggs in i lämplig storlek på brunn som då
agerar slamfång.
Vi levererar Plug & Play lösningar med marknadens olika typer av brunnar.
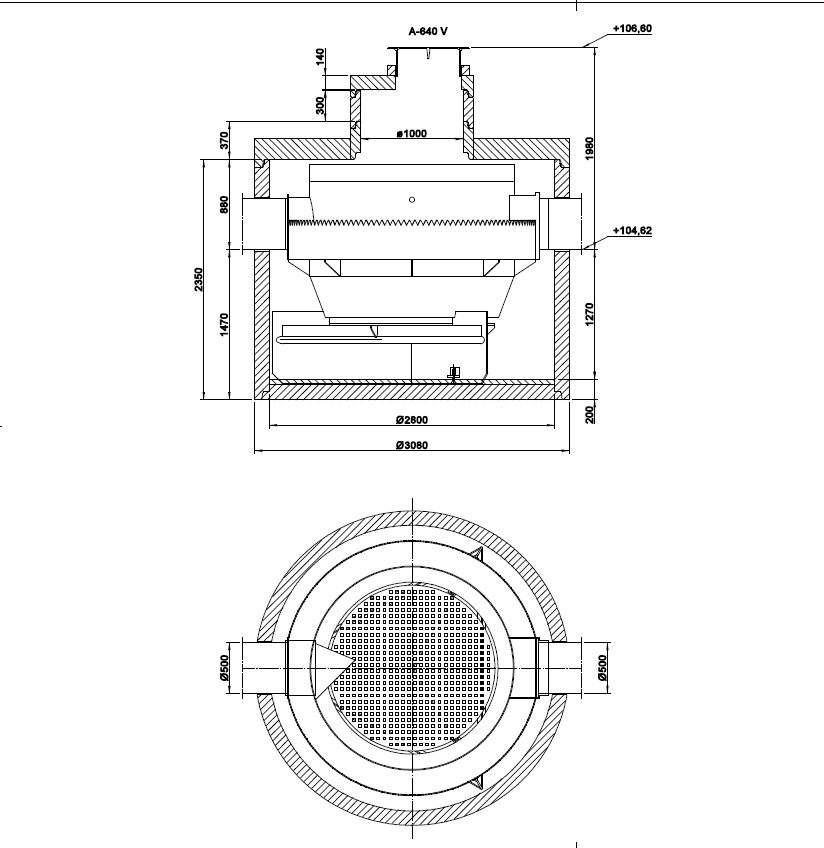
1. Inkommande vattenflöde slungas tangentiellt in mot mitten av hydroseparatorn.
2. Partiklar följer flödet nedströms mot botten medans flytande substanser blir liggandes
kvar vid vattenytan.
3. Partiklarna avskiljs effektivt och stannar i botten av slamfånget via kombinationen
av det inbyggda gallret nedtill i hydroseparatorn, de installerade vågbrytarna i botten
och förhållandet mellan inloppet och utloppets areor som är specialanpassat
via dess tandade utförande.
Inget upptryck återstår vilket möjliggör att även de minsta partiklarna avskiljs på
optimalt sätt.
4. Ett stilla och lugnt vattenflöde stiger nu upp och letar sig vidare mot utloppet.
5. Det renade vattnet passerar tandningen som finns i en 360 grader omgivande
periferikanal.
6. Vattnet leds slutligen ut genom utloppet. (Ingen ”direkt” förbindning finns således
mellan Inloppet (1) och utloppet (6)).

Specifikation

Funktion
Partikelavskiljare som avlägsnar fasta ämnen från dagvatten!
Avskiljer ämnen som är farliga och transporteras i dagvattenflödet.
Dessa ämnen är framför allt tungmetaller som koppar, zink, kadmium, bly, krom, de partikelbundna kolväten , polycykliska aromatiska kolväten (PAH) och organiska föreningarner till 63 my.
*Används med fördel som avancerat förfilter till alla typer av dagvatten & fördröjningsmagasin.
*Istället för oljeavskiljare av typen bypass vid avskiljning av dagvatten
*Mer avancerat alternativ för oljeavskiljare klass II